Przejdź do głównej treści
Zamknij wyszukiwarkę Wyczyść Szukaj
Produkty w koszyku: 0. Zobacz szczegóły

Twój koszyk jest pusty

polski
Producent: BONFIGLIOLI (przejdź do strony: http://www.bonfiglioli.com/en/industrial/)

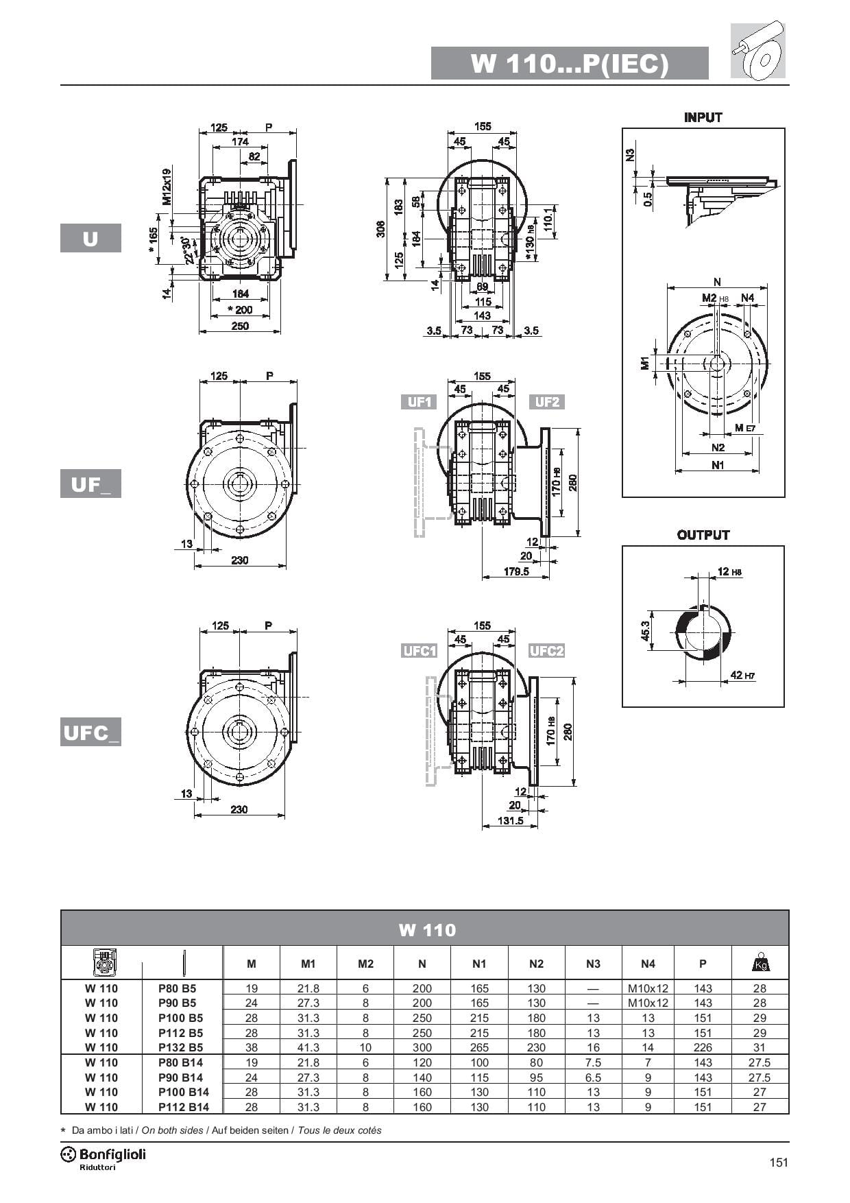
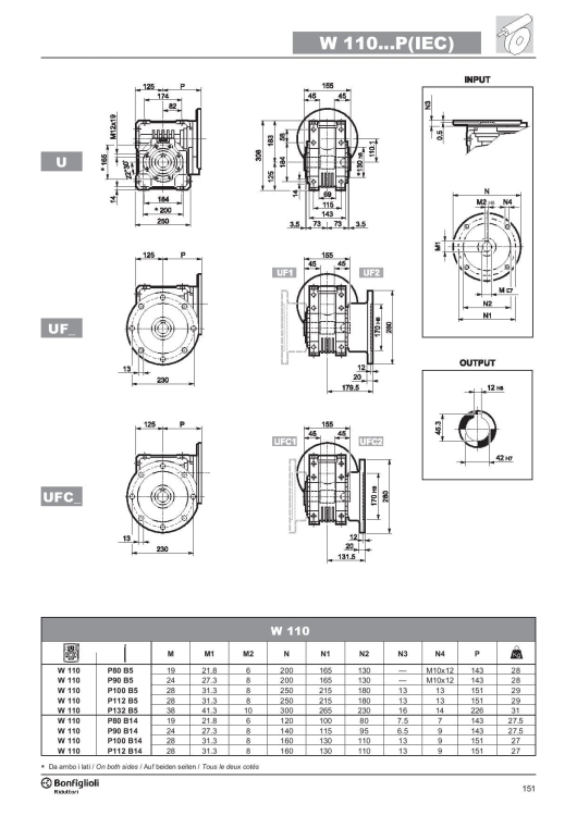
Reduktor W110 U i=10 P100 B14, Bonfiglioli

Przejdź do sekcji Opinie

Reduktor W 110 U I=10 P100 B14 Bonfiglioli

Przejdź do pełnego opisu
z VAT bez VAT
Cena 3 705,38 zł
w tym 23% VAT

Ceny podane bez kosztów dostawy.

polski
szt.
Dostępność:
product-availability-module dostępny
Zapytaj o produkt
Czas wysyłki: 24 godziny

Opinie

Liczba ocen: 0
Oceń i opisz